Original ADO®-ROLLROST / BODENKONVEKTORROST
Alu-FL-15
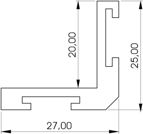
Alu-FL-20
Hochwertige, rollbare Designroste aus Aluminium als Abdeckungen von Heizungs-, Lüftungs- und Funktionsschächten sowie von Bodenkanalheizungen
-
sehr geringe Einbauhöhe ab 15 mm
-
und äußerst stabil
-
attraktive Alternative als Ersatzroste
-
für MÖHLENHOFF-Fußbodenkonvektoren
-
vielfältige Farbauswahl
-
passend für projektbezogene Einbausituationen

Technische Details:

| Original ADO®-Rollrost / Bodenkonvektorrost Alu-FL |
| Profil: |
| Stäbe aus massivem Aluminium-Rechteck-Vollprofil |
| mit Federverbindung und Kunststoff-Distanzröllchen - auch mit Alu-Distanzröllchen |
| Profilhöhe: |
| • 15 mm, • 20 mm |
| Profilbreite: |
| • 5 mm |
| Profilabstände: |
| • 10 mm (70 % freier Querschnitt) |
| • 15 mm (73 % freier Querschnitt) |
| • 20 mm (78 % freier Querschnitt) |
Auf Wunsch:
- starre Ausführung
- Stäbe in Längsrichtung
- Gehrungsecken, Rundungen, Aussparungen, Abschrägungen
Oberflächenvarianten:
- natur eloxiert

- gold eloxiert

- bronze eloxiert

- schwarz eloxiert

- Bildschirmfarben können abweichen -
- Auf Anfrage auch pulverbeschichtet.
Passender Rahmen aus Aluminium:
- für Alu-FL-15:

ADO®-Steckrahmen: 20 x 23 x 5 mm
- für Alu-FL-20:

ADO®-Steckrahmen: 25 x 27 x 5 mm
Datenblätter:
| +49 5937 8121 |



